Micro Projects Home Page

Home

 Microprocessor Basics

Micro Basics

Site Projects

Site Projects

Construction Techniques

Construction

Programming concepts

Software

Projects

Projects

8085 page
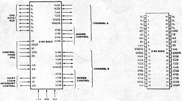
 Z80 SIO Serial Controller
Picture

Simplified connection diagram to utilise one HALF of the Z80 SIO/0 Note that this will allow for ONE transmit and ONE receive channel to operate.

Picture

8085 page

Fault Finding

Fault Finding

Data Sheets

Data Sheets

EEprom Programmer

Programmer

Video Information

VIDEO info

Picture
Peripheral Circuitry

Peripheral circuitry

Central Heating and Z280's

Z280 and  Central Heating  Controllers

Concluding Ideas

Concluding ideas

Links
Picture

Links

http://www.hampshire-shops.co.uk